Entre em contato com um de nossos especialistas!

Projeto de instalações elétricas prediais de baixa tensão

projeto de instalações elétricas prediais de baixa tensão: Segurança e Eficiência

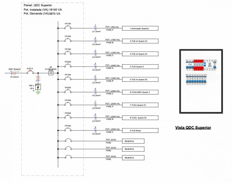
O projeto de instalações elétricas prediais de baixa tensão é fundamental para garantir a segurança, economia, eficiência, conformidade, facilidade e durabilidade dos sistemas elétricos em residências, comércios e pequenos edifícios.

Esses projetos são elaborados levando em consideração as normas técnicas atuais, visando atender às necessidades dos usuários e proporcionar um ambiente seguro e funcional.

Importância do projeto de instalações elétricas prediais de baixa tensão

O projeto de instalações elétricas prediais de baixa tensão é essencial para garantir a segurança dos usuários e a integridade do patrimônio.

Além disso, um projeto bem elaborado contribui para a economia de energia, a eficiência dos sistemas elétricos, a conformidade com as normas vigentes, a facilidade de manutenção e a durabilidade dos equipamentos.

TR Engenharia: Especialista em Projetos Prediais

Fundada em 2018, a TR Engenharia é especializada em execução de obras, reformas e desenvolvimento de projetos prediais no setor de construção civil.

Seus serviços incluem obras residenciais e comerciais, projetos hidrossanitários, elétricos, data-link="hvac, hvac", combate a incêndio e consultorias técnicas.

A empresa atende a Recife e a Região Metropolitana, abrangendo Aldeia, Baldalhos, São Lourenço da Mata, Camaragibe e Gravatá.

HVAC: A Importância da Climatização

Além do projeto de instalações elétricas prediais de baixa tensão, a TR Engenharia também oferece serviços de HVAC, que envolvem sistemas integrados de aquecimento, ventilação e ar-condicionado.

Esses sistemas são essenciais para proporcionar conforto térmico e qualidade do ar em ambientes residenciais, comerciais e industriais, contribuindo para a economia, eficiência, automação e durabilidade dos sistemas de climatização.

Garanta a Segurança e Eficiência dos Sistemas Elétricos

O projeto de instalações elétricas prediais de baixa tensão é essencial para garantir a segurança, economia, eficiência, conformidade, facilidade e durabilidade dos sistemas elétricos em residências, comércios e pequenos edifícios.

Ao contar com os serviços especializados da TR Engenharia, você pode ter a certeza de que seu projeto será desenvolvido com qualidade, atendendo às normas técnicas vigentes e garantindo a segurança e eficiência dos sistemas elétricos.

Não deixe de investir em um projeto de qualidade e garanta o bom funcionamento de suas instalações elétricas.

Contate a TR Engenharia e tenha a tranquilidade de contar com uma equipe especializada e comprometida com a excelência em projetos prediais.

Encontrou o que procurava?

Faça seu orçamento grátis agora mesmo!

Principais regiões onde a TR-Engenharia atende Projeto de instalações elétricas prediais de baixa tensão:

PE
  • Recife
  • Aldeia (Camaragibe)
  • São Lourenço da Mata
  • Camaragibe
  • Gravatá
  • Olinda
  • Jaboatão dos Guararapes
  • Paulista
  • Cabo de Santo Agostinho
  • Igarassu
WhatsApp 1
TR-Engenharia

Olá! Fale agora pelo WhatsApp