Entre em contato com um de nossos especialistas!

Projeto de instalações elétricas

O papel fundamental do projeto de instalações elétricas

O projeto de instalações elétricas é responsável por planejar toda a rede elétrica de um imóvel, considerando as normas técnicas e necessidades do local.

Ele evita sobrecargas e falhas futuras, garantindo um funcionamento seguro e eficiente.

Além disso, um projeto bem elaborado proporciona economia de energia, durabilidade e praticidade na manutenção.

Neste artigo, vamos explorar a importância do projeto de instalações elétricas, seus benefícios e como a empresa TR Engenharia pode auxiliar nesse processo.

Dimensionamento correto e prevenção de curtos

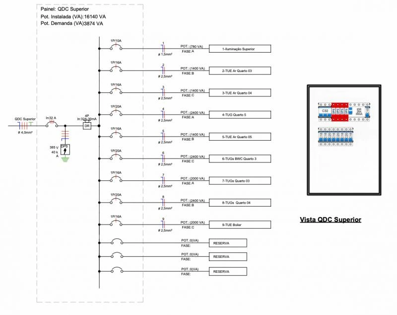
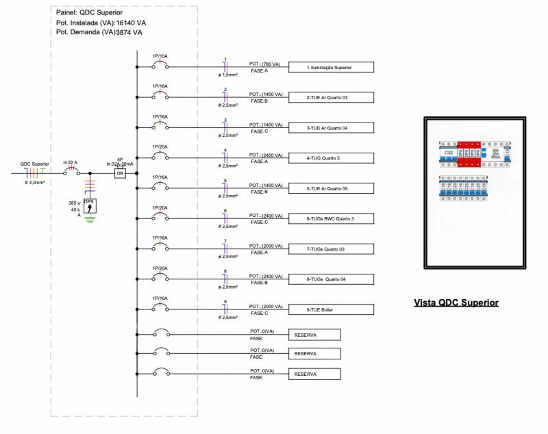
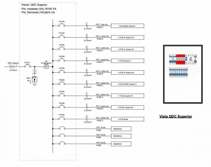
Um dos principais aspectos a ser considerado em um projeto de instalações elétricas é o dimensionamento correto dos componentes, como fios, disjuntores e tomadas.

Isso garante que a rede elétrica suporte a demanda de energia do imóvel, evitando sobrecargas que podem resultar em curtos-circuitos e danos aos equipamentos.

Com um dimensionamento adequado, é possível prevenir acidentes e garantir a segurança dos usuários.

Escalabilidade e manutenção simplificada

Outro aspecto importante a ser considerado em um data-link="projetos-instalacoes-eletricas, projetos de instalações elétricas" é a escalabilidade do sistema.

Ou seja, a capacidade de expansão da rede elétrica para atender novas demandas no futuro, sem a necessidade de grandes intervenções.

Além disso, um projeto bem elaborado facilita a manutenção das instalações, tornando-a mais simples e eficiente.

Isso contribui para a durabilidade do sistema e para a redução de custos com reparos e substituições.

A elaboração profissional evita riscos, assegura a correta distribuição de energia e facilita futuras manutenções. Além disso, proporciona economia de energia, confiabilidade e praticidade no uso do sistema elétrico.

A importância da TR Engenharia

Fundada em 2018, a TR Engenharia é especializada em execução de obras, reformas e desenvolvimento de projetos prediais no setor de construção civil.

Seus serviços incluem obras residenciais e comerciais, projetos hidrossanitários, elétricos, HVAC, combate a incêndio e consultorias técnicas.

A empresa atende a Recife e a Região Metropolitana, abrangendo Aldeia, Baldalhos, São Lourenço da Mata, Camaragibe e Gravatá.

Com uma equipe qualificada e experiente, a TR Engenharia oferece soluções personalizadas e inovadoras para projetos de instalações elétricas, garantindo qualidade, segurança e eficiência em todas as etapas do processo.

Garanta segurança e eficiência com um projeto de instalações elétricas bem elaborado

Investir em um projeto de instalações elétricas é essencial para garantir a segurança, funcionalidade e eficiência do sistema elétrico de um imóvel.

Com um dimensionamento correto, prevenção de curtos, atendimento às normas técnicas, escalabilidade e manutenção simplificada, é possível evitar problemas futuros e garantir o bom funcionamento das instalações.

A TR Engenharia oferece serviços especializados e de qualidade para projetos elétricos, proporcionando soluções sob medida para cada cliente.

Não deixe de contar com profissionais qualificados e experientes para garantir o sucesso do seu projeto de instalações elétricas.

Entre em contato com a TR Engenharia e garanta segurança e eficiência para o seu empreendimento.

Encontrou o que procurava?

Faça seu orçamento grátis agora mesmo!

Principais regiões onde a TR-Engenharia atende Projeto de instalações elétricas:

PE
  • Recife
  • Aldeia (Camaragibe)
  • São Lourenço da Mata
  • Camaragibe
  • Gravatá
  • Olinda
  • Jaboatão dos Guararapes
  • Paulista
  • Cabo de Santo Agostinho
  • Igarassu
WhatsApp 1
TR-Engenharia

Olá! Fale agora pelo WhatsApp