Entre em contato com um de nossos especialistas!

Projeto hidráulico e elétrico residencial

Entendendo o Projeto Hidráulico Residencial

Projeto hidráulico e elétrico residencial integra os sistemas essenciais da casa, otimizando espaço e evitando interferências entre as instalações.

Quando se trata do projeto hidráulico, é fundamental considerar a distribuição de água potável, esgoto e águas pluviais.

Além disso, é importante garantir que o sistema seja eficiente e seguro, evitando vazamentos e problemas futuros.

O que Inclui um Projeto Hidráulico?

Um projeto hidráulico residencial abrange desde a definição dos pontos de água quente e fria até a escolha dos materiais adequados para as tubulações.

É essencial considerar a pressão da água, a localização dos pontos de consumo e a capacidade do sistema para atender às necessidades da residência.

Além disso, é importante seguir as normas técnicas e de segurança para garantir a qualidade da instalação.

Como Escolher Materiais para o Projeto Hidráulico?

Ao escolher os materiais para o projeto hidráulico residencial, é importante considerar a durabilidade, resistência e compatibilidade com o sistema.

Tubos de PVC, PPR e cobre são algumas opções comuns no mercado, cada um com suas vantagens e desvantagens.

É fundamental contar com a orientação de profissionais especializados, como a TR Engenharia, para garantir a escolha adequada dos materiais e a correta execução do projeto.

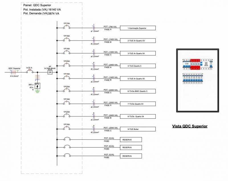
A Importância do Projeto Elétrico na Residência

Projeto hidráulico e elétrico residencial integra os sistemas essenciais da casa, otimizando espaço e evitando interferências entre as instalações.

Quando se trata do data-link="projeto-eletrico, projeto elétrico", é fundamental garantir a segurança, eficiência e adequação às necessidades de energia da residência.

Um projeto bem planejado pode evitar sobrecargas, curtos-circuitos e outros problemas elétricos.

Garanta Conforto e Segurança com um projeto hidráulico e elétrico residencial Bem Planejado

Ao planejar um projeto hidráulico e elétrico residencial, é essencial considerar a integração entre os sistemas, garantindo eficiência, segurança e conforto para os moradores.

A TR Engenharia, especializada em obras e projetos prediais, pode oferecer todo o suporte necessário para a execução de um projeto de sucesso.

Não deixe de investir na qualidade das instalações hidráulicas e elétricas da sua residência, pois isso pode fazer toda a diferença no dia a dia e na valorização do imóvel.

Contar com profissionais qualificados é o primeiro passo para garantir um ambiente seguro e funcional para toda a família.

Encontrou o que procurava?

Faça seu orçamento grátis agora mesmo!

Principais regiões onde a TR-Engenharia atende Projeto hidráulico e elétrico residencial:

PE
  • Recife
  • Aldeia (Camaragibe)
  • São Lourenço da Mata
  • Camaragibe
  • Gravatá
  • Olinda
  • Jaboatão dos Guararapes
  • Paulista
  • Cabo de Santo Agostinho
  • Igarassu
WhatsApp 1
TR-Engenharia

Olá! Fale agora pelo WhatsApp