Entre em contato com um de nossos especialistas!

Projeto elétrico em Aldeia

projeto elétrico em aldeia: Segurança e Eficiência para Residências e Comércios

O projeto elétrico em aldeia é fundamental para garantir instalações seguras e eficientes, atendendo normas e proporcionando um funcionamento confiável em residências e comércios.

A TR Engenharia, empresa especializada em engenharia e construção civil com atuação desde 2018, oferece serviços de qualidade nessa área, abrangendo não apenas Aldeia, mas também outras cidades da Região Metropolitana, como Baldalhos, São Lourenço da Mata, Camaragibe e Gravatá.

Importância do projeto elétrico em aldeia

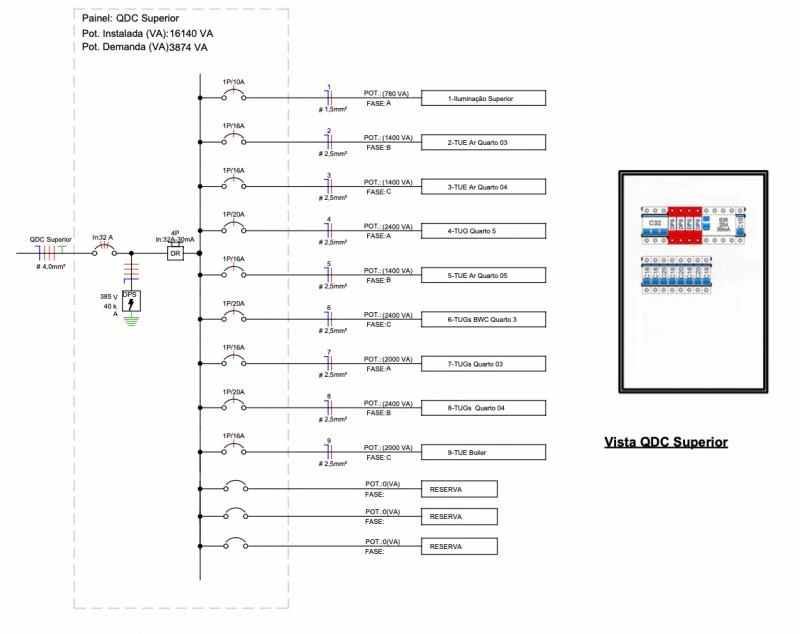
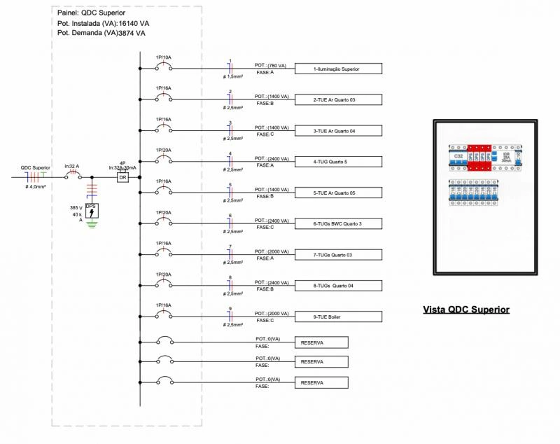
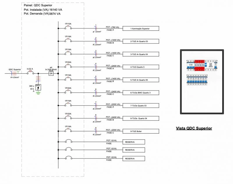
Um projeto elétrico bem elaborado é essencial para garantir a segurança das instalações elétricas em Aldeia.

Ao seguir as normas técnicas e as melhores práticas do mercado, é possível evitar acidentes, curtos-circuitos e incêndios, proporcionando um ambiente mais seguro para os moradores e usuários.

Além disso, a eficiência energética é outro ponto importante a ser considerado, visando a redução do consumo de energia e, consequentemente, dos custos com eletricidade.

Eficiência e Inovação

Além da segurança, a eficiência energética e a inovação também são aspectos considerados no projeto elétrico em aldeia.

A utilização de tecnologias modernas e soluções inovadoras contribui para a otimização do consumo de energia, tornando as instalações mais sustentáveis e econômicas a longo prazo.

Dessa forma, é possível aliar segurança, eficiência e inovação em um único projeto.

Laudo de Infiltração Predial

Além do projeto elétrico, a TR Engenharia também oferece serviços de data-link="laudo-infiltracao-predial, laudo de infiltração predial".

Esse tipo de avaliação identifica pontos de umidade e vazamentos nas estruturas, permitindo um diagnóstico preciso e orientando os reparos necessários para evitar danos maiores e preservar a edificação.

Com foco na prevenção, conservação e segurança, o laudo de infiltração predial é essencial para garantir a durabilidade e a qualidade das construções.

Invista em um Projeto Elétrico de Qualidade em Aldeia

O projeto elétrico em aldeia é uma etapa fundamental na construção ou reforma de residências e comércios, garantindo segurança, eficiência e confiabilidade nas instalações elétricas.

Com a TR Engenharia, você pode contar com uma equipe especializada e comprometida em oferecer soluções inovadoras e de alta qualidade, atendendo às normas técnicas e proporcionando um funcionamento seguro e eficiente.

Não deixe de investir em um projeto elétrico de qualidade e garanta o conforto e a segurança do seu imóvel em Aldeia. Entre em contato com a TR Engenharia e solicite um orçamento personalizado para o seu projeto elétrico.

Encontrou o que procurava?

Faça seu orçamento grátis agora mesmo!

Principais regiões onde a TR-Engenharia atende Projeto elétrico em Aldeia:

PE
  • Recife
  • Aldeia (Camaragibe)
  • São Lourenço da Mata
  • Camaragibe
  • Gravatá
  • Olinda
  • Jaboatão dos Guararapes
  • Paulista
  • Cabo de Santo Agostinho
  • Igarassu
WhatsApp 1
TR-Engenharia

Olá! Fale agora pelo WhatsApp