Entre em contato com um de nossos especialistas!

Projeto de circuito elétrico em Recife

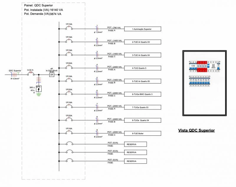
Importância do projeto de circuito elétrico em recife

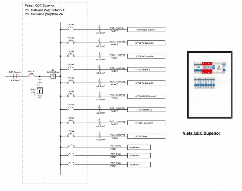
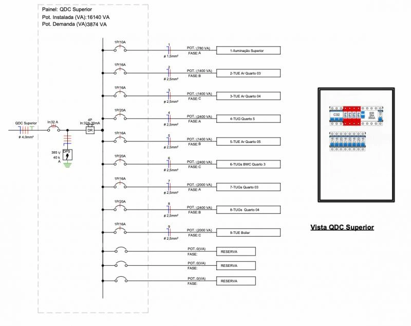
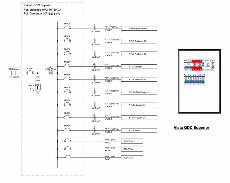
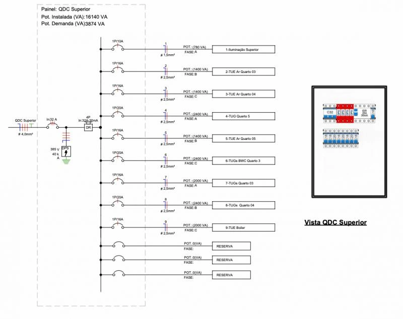
O projeto de circuito elétrico em recife é desenvolvido para atender as necessidades específicas da região.

Com foco em segurança, eficiência, durabilidade, precisão técnica e confiabilidade, a elaboração de um projeto elétrico adequado é essencial para garantir o bom funcionamento de uma instalação.

Ao contar com um projeto bem estruturado, é possível evitar problemas futuros, como curtos-circuitos, sobrecargas e até mesmo acidentes graves.

Os Benefícios de um Bom Projeto Elétrico

Um projeto de circuito elétrico em recife bem elaborado traz uma série de benefícios para os usuários.

Além de garantir a segurança das pessoas e do patrimônio, um projeto eficiente contribui para a economia de energia, reduzindo desperdícios e aumentando a vida útil dos equipamentos.

Com a correta distribuição de energia, é possível evitar quedas de tensão e garantir o pleno funcionamento de todos os dispositivos elétricos.

Normas e Regulamentações na Elaboração de Projetos

Na criação de projetos de circuito elétrico em Recife, é fundamental seguir as normas e regulamentações estabelecidas pelos órgãos competentes.

Normas como a NBR 5410, que estabelece as condições mínimas de segurança em instalações elétricas, e a NBR 5419, que trata da proteção contra descargas atmosféricas, devem ser rigorosamente seguidas para garantir a conformidade do projeto.

Além disso, é importante considerar as particularidades da região, como o clima e a infraestrutura local, para um projeto adequado.

Erros Comuns e Como Evitá-los em Projetos Elétricos

Na elaboração de projetos de circuito elétrico em Recife, é importante estar atento a alguns erros comuns que podem comprometer a eficiência e a segurança da instalação.

Entre os principais erros estão a sobrecarga dos circuitos, a má escolha dos dispositivos de proteção e a falta de aterramento adequado.

Para evitar esses problemas, é essencial contar com profissionais qualificados e experientes na elaboração de data-link="projetos-instalacoes-eletricas, projetos de instalações elétricas" garantem segurança, funcionalidade e eficiência em construções novas ou reformas.

A elaboração profissional evita riscos, assegura a correta distribuição de energia e facilita futuras manutenções.

Com foco em segurança, economia de energia, confiabilidade, durabilidade e praticidade, um projeto bem elaborado é essencial para garantir o bom funcionamento de uma instalação elétrica.

Transforme sua Instalação com um projeto de circuito elétrico em recife

Ao considerar a importância dos projetos de circuito elétrico em Recife, é fundamental contar com profissionais especializados e experientes na área.

A TR Engenharia, fundada em 2018 e localizada em Recife, é uma empresa especializada em projetos elétricos, hidrossanitários, HVAC, combate a incêndio, consultorias e gestão de obras.

Garanta a segurança, eficiência e durabilidade de sua instalação elétrica, contando com a expertise e o profissionalismo da TR Engenharia.

Transforme sua instalação e maximize sua eficiência com um projeto elétrico de qualidade.

Encontrou o que procurava?

Faça seu orçamento grátis agora mesmo!

Principais regiões onde a TR-Engenharia atende Projeto de circuito elétrico em Recife:

PE
  • Recife
  • Aldeia (Camaragibe)
  • São Lourenço da Mata
  • Camaragibe
  • Gravatá
  • Olinda
  • Jaboatão dos Guararapes
  • Paulista
  • Cabo de Santo Agostinho
  • Igarassu
WhatsApp 1
TR-Engenharia

Olá! Fale agora pelo WhatsApp