Entre em contato com um de nossos especialistas!

Projeto elétrico residencial

Importância do projeto elétrico residencial

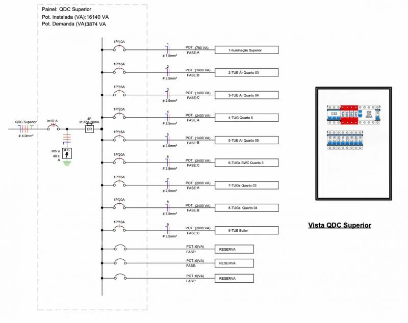
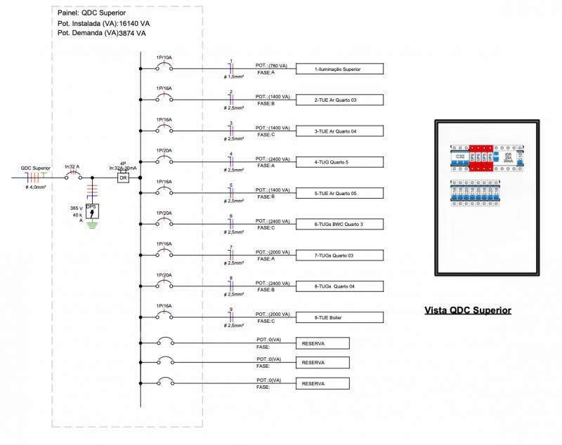
O projeto elétrico residencial planeja a distribuição de tomadas, luminárias e disjuntores para garantir conforto, praticidade e segurança no dia a dia.

A segurança é um dos principais pilares de um projeto elétrico bem elaborado, pois evita acidentes graves, como curtos-circuitos e incêndios.

Segurança em Primeiro Lugar

Um data-link="projeto-eletrico, projeto elétrico" residencial seguro deve seguir todas as normas técnicas e de segurança estabelecidas, garantindo a correta instalação dos equipamentos e a proteção dos moradores.

Além disso, a escolha de materiais de qualidade e a correta dimensionamento dos circuitos são essenciais para evitar sobrecargas e danos à rede elétrica.

Economia de Energia e Sustentabilidade

Além da segurança, um projeto elétrico residencial bem elaborado também contribui para a economia de energia e a sustentabilidade.

A escolha de equipamentos eficientes e a correta distribuição dos pontos de iluminação e tomadas podem reduzir o consumo de energia elétrica e, consequentemente, o impacto ambiental.

Princípios Básicos de um Projeto Elétrico

O projeto elétrico residencial é fundamental para garantir o bom funcionamento da instalação elétrica de uma residência.

Para isso, alguns princípios básicos devem ser seguidos, como o dimensionamento correto dos circuitos e a escolha adequada de materiais e equipamentos.

Dimensionamento de Circuitos

O dimensionamento correto dos circuitos elétricos é essencial para garantir a segurança e a eficiência energética de uma residência.

É importante calcular a carga elétrica total do imóvel e distribuí-la de forma equilibrada entre os circuitos, evitando sobrecargas e quedas de energia.

Escolha de Materiais e Equipamentos

A escolha dos materiais e equipamentos certos também é fundamental para um projeto elétrico residencial de qualidade.

Cabos, disjuntores, tomadas e interruptores devem ser de boa qualidade e adequados para a demanda de energia da residência, garantindo o bom funcionamento da instalação elétrica.

A TR Engenharia, fundada em 2018, atua no setor de engenharia e construção civil, especializada em obras, reformas e projetos prediais.

Oferece serviços como obras residenciais e comerciais, projetos hidrossanitários, elétricos, HVAC, combate a incêndio, consultorias e gestão de obras.

A correta distribuição de tomadas, luminárias e disjuntores é fundamental para evitar problemas e garantir o bom funcionamento da instalação elétrica.

Garanta a Segurança e Eficiência do seu projeto elétrico residencial

Investir em um projeto elétrico residencial de qualidade é fundamental para garantir a segurança, a eficiência energética e o conforto da sua residência.

Conte com a expertise da TR Engenharia para elaborar um projeto personalizado e adequado às suas necessidades.

Não deixe de priorizar a segurança e a sustentabilidade em todas as etapas do projeto.

Garanta a segurança e eficiência do seu lar com um projeto elétrico bem elaborado!

Encontrou o que procurava?

Faça seu orçamento grátis agora mesmo!

Principais regiões onde a TR-Engenharia atende Projeto elétrico residencial:

PE
  • Recife
  • Aldeia (Camaragibe)
  • São Lourenço da Mata
  • Camaragibe
  • Gravatá
  • Olinda
  • Jaboatão dos Guararapes
  • Paulista
  • Cabo de Santo Agostinho
  • Igarassu
WhatsApp 1
TR-Engenharia

Olá! Fale agora pelo WhatsApp